











Насос СМ 80-50-200/4 - характеристика фекального насосу
СМ 80-50-200/4 – це насос консольного типу. Насос СМ 80-50-200/4 вигідно відрізняється від імпортних аналогів ціною при цьому не поступається як. Надійний, простий в експлуатації. Ціна на насос СМ 80-50-200/4 надається за дзвінком.
Продуктивність – 25 м.куб/год;Натиск - 12.5 м.в.ст.;
Купити насос СМ 80-50-200/4 вигідно
- тільки нове обладнання з паспортом та гарантією 12 місяців
- вибір комплектації насоса
- мінімально можливу ціну - РОЗРАХУНОК ЦІНИ НА НАСОС СМ 80-50-200/4 за дзвінком!
- доставка насоса по Україні транспортними компаніями
- регулярна наявність запасних частин насоса СМ 80-50-200/4
Запасні частини насоса СМ 80-50-200/4 в наявності
Робоче колесо СМ 80-50-200/4
Корпус насоса (равлика) СМ 80-50-200/4
Корпус підшипників СМ 80-50-200/4
Станіна (рама) СМ 80-50-200/4
Кришка равлика (корпусу) СМ 80-50-200/4
Патрубок всмоктувальний СМ 80-50-200/4
Кришка підшипника СМ 80-50-200/4
Вал насоса (подовжувач) СМ 80-50-200/4
Втулка СМ 80-50-200/4
Фланець сальника СМ 80-50-200/4
Кронштейн СМ 80-50-200/4
Напівмуфта насоса (муфта) СМ 80-50-200/4
Комплект пальців до муфти насоса СМ 80-50-200/4
Призначення насоса СМ 80-50-200/4
Насос СМ 80-50-200/4 призначений для перекачування побутових та промислових забруднених рідин з такими параметрами:
- водневий показник (рН) від 6 до 8,5
- густина середовища - до 1100 кг/м 3
- кінематична в'язкість - трохи більше 1*10 -6 м/с
- температура - до 90 о С
- вміст абразивних зважених частинок - не більше 1% за об'ємом, розміром до 5 мм та мікротвердістю не більше 9000 МПа
Насос СМ 80-50-200/4 виготовляється за матеріалом проточної частини із сірого чавуну за ГОСТ 1412-85, ущільнення валу - сальникове.
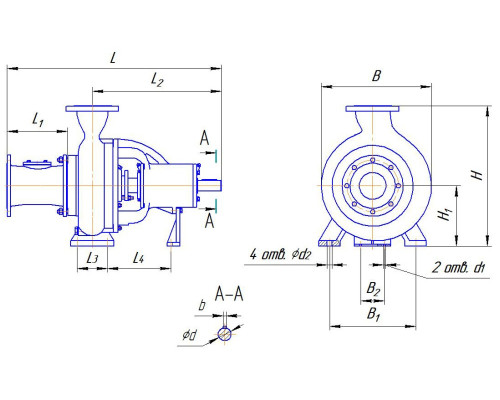
ПРИСТРІЙ І ПРИНЦИП РОБОТИ СМ 80-50-200/4
Агрегати типу СМ 80-50-200/4 складаються з насоса та електродвигуна, змонтованих на загальній фундаментальній рамі. Вал насоса та двигуна з'єднані між собою пружною муфтою.
Фундаментна рама кріпиться до фундаменту фундаментними болтами, пружна муфта закрита огорожею, що закріплена на фундаментній плиті. Фундаментна рама встановлюється на сталевих прокладках. Прокладки встановлюються по всьому периметру рами рівномірно. Рекомендується товщина прокладки 25-30 мм. До підливки рами бетоном необхідно забезпечити горизонтальність її встановлення за допомогою віджимних болтів. Точність установки 0,2 мм на 1м контролюється за рівнем.
Насос СМ 80-50-200/4 складається із спірального корпусу, відцентрового робочого колеса, встановленого на валу, опорного кронштейна. Спіральний корпус притягнутий до опорного кронштейна шпильками. Між торцями спірального корпусу та опорного кронштейна встановлений корпус.
Ущільнення валу насосів СМ 80-50-200/4 здійснюється сальником з м'яким набиванням ГОСТ 5152-77. Для забезпечення надійної роботи сальникового ущільнення до корпусу ущільнення необхідно подавати рідину затвора (технічну воду) під тиском, що становить 0,3 МПа (3кгс/см 2 ).
Затворна або інша нетоксична і нейтральна по відношенню до навколишнього середовища, що перекачується, рідина за щільністю не нормуються. Вміст зважених частинок – трохи більше 0,1%, розмір частинок трохи більше 0,2мм, водневий показник рН – 7, температура рідини трохи більше 318 (450С).
Для зменшення протоки рідини, що перекачується в спіральному корпусі з області високого тиску в область низького тиску на робочому колесі і в спіральному корпусі насоса встановлені кільця ущільнювачів.
Для зменшення осьової сили, що діє на підшипники валу насосів СМ 80-50-200/4, на задньому диску робочих коліс усіх типів виконані відбійні лопатки. Ефективність роботи відбійних лопаток залежить від точності встановлення торцевого зазору між відбійними лопатками та поверхнею торцевої корпусу ущільнення.
У зоні ущільнення для запобігання зносу на вал насосів СМ 80-50-200/4 встановлюється захисна втулка, виконана з вуглецевої сталі 45 ГОСТ 4543-71.
В осьовому напрямку захисна втулка фіксується між торцями маточини робочого колеса та торцем регулювальної гайки.
Агрегати є відновлюваними, відносяться до групи виробів 2, виду 1 ДЕРЖСТАНДАРТ 27.003-83. ущільненням (ТСУ). Агрегати насосні СМ 80-50-200/4 поставляються у загальнопромисловому виконанні та у виконанні для вибухонебезпечних та пожежонебезпечних приміщень (Е). Клас приміщень В-1а і нижче за ПУЕ, видання шосте.
Умовне позначення насоса СМ 80-50-200/4
- СМ – тип насоса – сточно-масний
- перше значення – діаметр входу, мм
- друге значення – діаметр виходу, мм
- третє значення – номінальний діаметр робочого колеса, мм
- /2- Умовне позначення частоти обертання (3000 об/хв)
- /4- Умовне позначення частоти обертання (1500 об/хв)
- а – перша підрізка робочого колеса насоса
- б – друге підрізування робочого колеса насоса
Продуктивність
Параметри
Гарантія
Відгуків про цей товар ще не було.
Нет вопросов об этом товаре.