Насос 2СМ 80-50-200/4а - характеристика фекального насосу
2СМ 80-50-200/4а – це насос консольного типу. Насос 2СМ 80-50-200/4а вигідно відрізняється від імпортних аналогів ціною при цьому не поступається як. Надійний, простий в експлуатації. Ціна на насос 2СМ 80-50-200/4а надається за дзвінком.
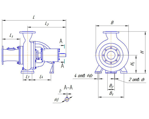
Продуктивність – 22 м.куб/год;Натиск - 10.5 м.в.ст.;
Купити насос 2СМ 80-50-200/4а вигідно
- тільки нове обладнання з паспортом та гарантією 12 місяців
- вибір комплектації насоса
- мінімально можливу ціну - РОЗРАХУНОК ЦІНИ НА НАСОС 2СМ 80-50-200/4а за дзвінком!
- доставка насоса по Україні транспортними компаніями
- регулярна наявність запасних частин насоса 2СМ 80-50-200/4а
Запасні частини насоса 2СМ 80-50-200/4а
Робоче колесо 2СМ 80-50-200/4а
Корпус насоса (равлик) 2СМ 80-50-200/4а
Корпус підшипників 2СМ 80-50-200/4а
Станіна (рама) 2СМ 80-50-200/4а
Кришка равлика (корпусу) 2СМ 80-50-200/4а
Патрубок всмоктувальний 2СМ 80-50-200/4а
Кришка підшипника 2СМ 80-50-200/4а
Вал насоса (подовжувач) 2СМ 80-50-200/4а
Втулка 2СМ 80-50-200/4а
Фланець сальника 2СМ 80-50-200/4а
Кронштейн 2СМ 80-50-200/4а
Напівмуфта насоса (муфта) 2СМ 80-50-200/4а
Комплект пальців до муфти насоса 2СМ 80-50-200/4а
Призначення насоса 2СМ 80-50-200/4а
Насос 2СМ 80-50-200/4а призначений для перекачування побутових та промислових забруднених рідин з такими параметрами:
- водневий показник (рН) від 6 до 8,5
- густина середовища - до 1100 кг/м 3
- кінематична в'язкість - трохи більше 1*10 -6 м/с
- температура - до 90 о С
- вміст абразивних зважених частинок - не більше 1% за об'ємом, розміром до 5 мм та мікротвердістю не більше 9000 МПа
Насос 2СМ 80-50-200/4а виготовляється за матеріалом проточної частини із сірого чавуну за ГОСТ 1412-85, ущільнення валу - сальникове.
ПРИСТРІЙ І ПРИНЦИП РОБОТИ 2СМ 80-50-200/4а
Агрегати типу 2СМ 80-50-200/4а складаються з насоса та електродвигуна, змонтованих на загальній фундаментальній рамі. Вал насоса та двигуна з'єднані між собою пружною муфтою.
Фундаментна рама кріпиться до фундаменту фундаментними болтами, пружна муфта закрита огорожею, що закріплена на фундаментній плиті. Фундаментна рама встановлюється на сталевих прокладках. Прокладки встановлюються по всьому периметру рами рівномірно. Рекомендується товщина прокладки 25-30 мм. До підливки рами бетоном необхідно забезпечити горизонтальність її встановлення за допомогою віджимних болтів. Точність установки 0,2 мм на 1м контролюється за рівнем.
Насос 2СМ 80-50-200/4а складається із спірального корпусу, відцентрового робочого колеса, встановленого на валу, опорного кронштейна. Спіральний корпус притягнутий до опорного кронштейна шпильками. Між торцями спірального корпусу та опорного кронштейна встановлений корпус.
Ущільнення валу насосів 2СМ 80-50-200/4а здійснюється сальником з м'яким набиванням ГОСТ 5152-77. Для забезпечення надійної роботи сальникового ущільнення до корпусу ущільнення необхідно подавати рідину затвора (технічну воду) під тиском, що становить 0,3 МПа (3кгс/см 2 ).
Затворна або інша нетоксична і нейтральна по відношенню до навколишнього середовища, що перекачується, рідина за щільністю не нормуються. Вміст зважених частинок – трохи більше 0,1%, розмір частинок трохи більше 0,2мм, водневий показник рН – 7, температура рідини трохи більше 318 (450С).
Для зменшення протоки рідини, що перекачується в спіральному корпусі з області високого тиску в область низького тиску на робочому колесі і в спіральному корпусі насоса встановлені кільця ущільнювачів.
Для зменшення осьової сили, що діє на підшипники валу насосів 2СМ 80-50-200/4а, на задньому диску робочих коліс всіх типів виконані відбійні лопатки. Ефективність роботи відбійних лопаток залежить від точності встановлення торцевого зазору між відбійними лопатками та поверхнею торцевої корпусу ущільнення.
У зоні ущільнення для запобігання зносу на вал насосів 2СМ 80-50-200/4а встановлюється захисна втулка, виконана з вуглецевої сталі 45 ГОСТ 4543-71.
В осьовому напрямку захисна втулка фіксується між торцями маточини робочого колеса та торцем регулювальної гайки.
Агрегати є відновлюваними, відносяться до групи виробів 2, виду 1 ДЕРЖСТАНДАРТ 27.003-83. ущільненням (ТСУ). Агрегати насосні 2СМ 80-50-200/4а поставляються у загальнопромисловому виконанні та у виконанні для вибухонебезпечних та пожежонебезпечних приміщень (Е). Клас приміщень В-1а і нижче за ПУЕ, видання шосте.
Умовне позначення насоса 2СМ 80-50-200/4а
- СМ – тип насоса – сточно-масний
- перше значення – діаметр входу, мм
- друге значення – діаметр виходу, мм
- третє значення – номінальний діаметр робочого колеса, мм
- /2- Умовне позначення частоти обертання (3000 об/хв)
- /4- Умовне позначення частоти обертання (1500 об/хв)
- а – перша підрізка робочого колеса насоса
- б – друге підрізування робочого колеса насоса
Продуктивність
Параметри
Гарантія
Відгуків про цей товар ще не було.
Нет вопросов об этом товаре.
