











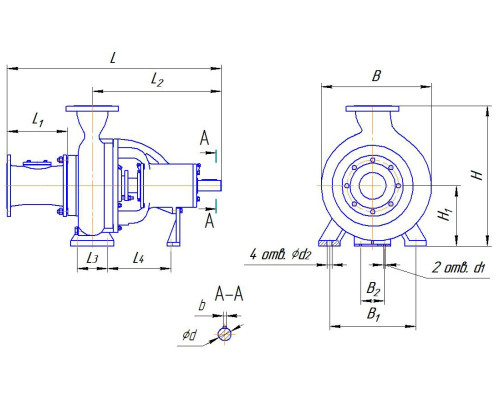
Насос 2СМ 100-65-200/4а - характеристика фекального насоса
2СМ 100-65-200/4а – це насос консольного типу. Насос 2СМ 100-65-200/4а вигідно відрізняється від імпортних аналогів ціною при цьому не поступається як. Надійний, простий в експлуатації. Ціна на насос 2СМ 100-65-200/4а надається за дзвінком.
Продуктивність – 43 м.куб/год;Натиск - 10.5 м.в.ст.;
Купити насос 2СМ 100-65-200/4а вигідно
- тільки нове обладнання з паспортом та гарантією 12 місяців
- вибір комплектації насоса
- мінімально можливу ціну - РОЗРАХУНОК ЦІНИ НА НАСОС 2СМ 100-65-200/4а за дзвінком!
- доставка насоса по Україні транспортними компаніями
- регулярна наявність запасних частин насоса 2СМ 100-65-200/4а
Запасні частини насоса 2СМ 100-65-200/4а в наявності
Робоче колесо 2СМ 100-65-200/4а
Корпус насоса (равлика) 2СМ 100-65-200/4а
Корпус підшипників 2СМ 100-65-200/4а
Станіна (рама) 2СМ 100-65-200/4а
Кришка равлика (корпусу) 2СМ 100-65-200/4а
Патрубок всмоктувальний 2СМ 100-65-200/4а
Кришка підшипника 2СМ 100-65-200/4а
Вал насоса (подовжувач) 2СМ 100-65-200/4а
Втулка 2СМ 100-65-200/4а
Фланець сальника 2СМ 100-65-200/4а
Кронштейн 2СМ 100-65-200/4а
Напівмуфта насоса (муфта) 2СМ 100-65-200/4а
Комплект пальців до муфти насоса 2СМ 100-65-200/4а
Призначення насоса 2СМ 100-65-200/4а
Насос 2СМ 100-65-200/4а призначений для перекачування побутових та промислових забруднених рідин з такими параметрами:
- водневий показник (рН) від 6 до 8,5
- густина середовища - до 1100 кг/м 3
- кінематична в'язкість - трохи більше 1*10 -6 м/с
- температура - до 90 о С
- вміст абразивних зважених частинок - не більше 1% за об'ємом, розміром до 5 мм та мікротвердістю не більше 9000 МПа
Насос 2СМ 100-65-200/4а виготовляється за матеріалом проточної частини із сірого чавуну за ГОСТ 1412-85, ущільнення валу - сальникове.
ПРИСТРІЙ І ПРИНЦИП РОБОТИ 2СМ 100-65-200/4а
Агрегати типу 2СМ 100-65-200/4а складаються з насоса та електродвигуна, змонтованих на загальній фундаментальній рамі. Вал насоса та двигуна з'єднані між собою пружною муфтою.
Фундаментна рама кріпиться до фундаменту фундаментними болтами, пружна муфта закрита огорожею, що закріплена на фундаментній плиті. Фундаментна рама встановлюється на сталевих прокладках. Прокладки встановлюються по всьому периметру рами рівномірно. Рекомендується товщина прокладки 25-30 мм. До підливки рами бетоном необхідно забезпечити горизонтальність її встановлення за допомогою віджимних болтів. Точність установки 0,2 мм на 1м контролюється за рівнем.
Насос 2СМ 100-65-200/4а складається із спірального корпусу, відцентрового робочого колеса, встановленого на валу, опорного кронштейна. Спіральний корпус притягнутий до опорного кронштейна шпильками. Між торцями спірального корпусу та опорного кронштейна встановлений корпус.
Ущільнення валу насосів 2СМ 100-65-200/4а здійснюється сальником з м'яким набиванням ГОСТ 5152-77. Для забезпечення надійної роботи сальникового ущільнення до корпусу ущільнення необхідно подавати рідину затвора (технічну воду) під тиском, що становить 0,3 МПа (3кгс/см 2 ).
Затворна або інша нетоксична і нейтральна по відношенню до навколишнього середовища, що перекачується, рідина за щільністю не нормуються. Вміст зважених частинок – трохи більше 0,1%, розмір частинок трохи більше 0,2мм, водневий показник рН – 7, температура рідини трохи більше 318 (450С).
Для зменшення протоки рідини, що перекачується в спіральному корпусі з області високого тиску в область низького тиску на робочому колесі і в спіральному корпусі насоса встановлені кільця ущільнювачів.
Для зменшення осьової сили, що діє на підшипники валу насосів 2СМ 100-65-200/4а, на задньому диску робочих коліс усіх типів виконані відбійні лопатки. Ефективність роботи відбійних лопаток залежить від точності встановлення торцевого зазору між відбійними лопатками та поверхнею торцевої корпусу ущільнення.
У зоні ущільнення для запобігання зносу на вал насосів 2СМ 100-65-200/4а встановлюється захисна втулка, виконана з вуглецевої сталі 45 ГОСТ 4543-71.
В осьовому напрямку захисна втулка фіксується між торцями маточини робочого колеса та торцем регулювальної гайки.
Агрегати є відновлюваними, відносяться до групи виробів 2, виду 1 ДЕРЖСТАНДАРТ 27.003-83. ущільненням (ТСУ). Агрегати насосні 2СМ 100-65-200/4а поставляються у загальнопромисловому виконанні та у виконанні для вибухонебезпечних та пожежонебезпечних приміщень (Е). Клас приміщень В-1а і нижче за ПУЕ, видання шосте.
Умовне позначення насоса 2СМ 100-65-200/4а
- СМ – тип насоса – сточно-масний
- перше значення – діаметр входу, мм
- друге значення – діаметр виходу, мм
- третє значення – номінальний діаметр робочого колеса, мм
- /2- Умовне позначення частоти обертання (3000 об/хв)
- /4- Умовне позначення частоти обертання (1500 об/хв)
- а – перша підрізка робочого колеса насоса
- б – друге підрізування робочого колеса насоса
Продуктивність
Параметри
Гарантія
Відгуків про цей товар ще не було.
Нет вопросов об этом товаре.