Насос 2СМ 100-65-200/4а — характеристика фекального насоса
2СМ 100-65-200/4а — это надежный насос консольного типа. Агрегат выгодно отличается от импортных аналогов доступной ценой, при этом не уступая в качестве. Насос отличается надежностью и простотой в эксплуатации, что делает его незаменимым для работы с загрязненными жидкостями.
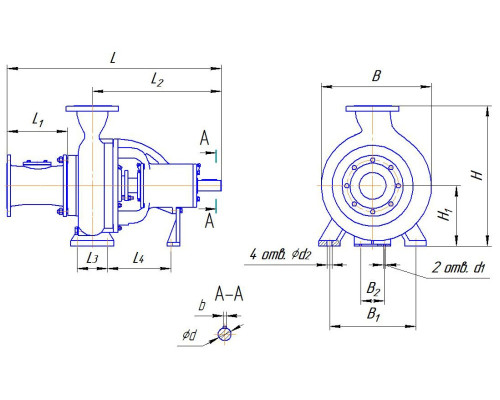
Габаритные и присоединительные размеры насоса 2СМ 100-65-200/4а
| Марка насоса | B, мм | B1, мм | B2, мм | d, мм | d1, мм | d2, мм | H, мм | H1, мм | L, мм | L1, мм | L2, мм | L3, мм | L4, мм |
|---|---|---|---|---|---|---|---|---|---|---|---|---|---|
| Насос 2СМ 100-65-200/4а | 305 | 260 | 110 | 28 | 14 | 14 | 405 | 180 | 783 | 195 | 495 | 90 | 329.5 |
Преимущества покупки в компании «ГЕНПРОМ»
- Только новое оборудование: поставляется с паспортом и официальной гарантией 12 месяцев.
- Возможность выбора индивидуальной комплектации насоса.
- Минимально возможная цена.
- Доставка насоса по Украине транспортными компаниями.
- Регулярное наличие запасных частей на складе.
Запасные части к насосу 2СМ 100-65-200/4а всегда в наличии
- Рабочее колесо
- Корпус насоса (улитка)
- Корпус подшипников
- Станина (рама)
- Крышка улитки
- Патрубок всасывающий
- Крышка подшипника
- Вал насоса
- Втулка защитная
- Фланец сальника
- Кронштейн
- Полумуфта насоса
- Комплект пальцев к муфте
Назначение насоса 2СМ 100-65-200/4а
Насос 2СМ 100-65-200/4а предназначен для перекачивания бытовых и промышленных загрязненных жидкостей с такими параметрами:
- Водородный показатель (рН): от 6 до 8,5
- Плотность среды: до 1100 кг/м³
- Кинематическая вязкость: не более 1*10⁻⁶ м²/с
- Температура: до 90°С
- Содержание абразивных частиц: не более 1% по объему, размером до 5 мм
Устройство и принцип работы 2СМ 100-65-200/4а
Агрегаты типа 2СМ 100-65-200/4а состоят из насоса и электродвигателя, смонтированных на общей раме. Вал насоса и двигателя соединены упругой муфтой. Фундаментная рама крепится болтами, для горизонтальности установки используются стальные прокладки.
Уплотнение вала осуществляется сальником с мягкой набивкой (ГОСТ 5152-77) с подводом затворной жидкости под давлением 0,3 МПа. Агрегаты поставляются в общепромышленном исполнении или для взрывоопасных помещений.
Условное обозначение насоса 2СМ 100-65-200/4а
- СМ — тип насоса (сточно-массный)
- Первое значение — диаметр входа, мм
- Второе значение — диаметр выхода, мм
- Третье значение — номинальный диаметр рабочего колеса, мм
- /2 — частота вращения (3000 об/мин), /4 — 1500 об/мин
- а, б — индексы подрезки рабочего колеса
Производительность
Параметры
Гарантия
Габаритные размеры
Нет отзывов об этом товаре.
Нет вопросов об этом товаре.
